当前位置:首页>>产品中心>>压力仪表
Y系列一般压力表
  

用途说明

    一般压力表适用于测量无爆炸危险、不结晶、不凝固及铜及铜合金不起腐蚀作用的液体、蒸气和气体等介质的压力。

主要技术指标

   测量范围、精确度等级

型号

结构形式

精度等级

测量范围MPa

备注

Y-40
Y-40Z

径向无边
轴向无边

2.5

00.100.1600.2500.4
0
0.601.001.602.5
0
4.006.0010016
0
25040




  HR-YZ
表示压力真空表
  HR-Z
表示真空表
  HR-Y
表示一般压力表
  HR-YB
表示压力表






  
压力表又称一般压力表和弹簧管式压力表,压力表又称标准压力表。压力真空表包括负压与正压量程范围指示,轴向压力表φ60型订货时请注明接头螺纹M10×1M14×1.5
  
特殊轴向压力表可根据用户要求定制
 

Y-60
Y-60Z
Y-60T
Y-60ZT

径向无边
轴向无边
径向带后边
轴向带前边

Y-100
Y-100Z
Y-100T
Y-100ZT

径向无边
轴向无边
径向带后边
轴向带前边

1.6

00.100.1600.2500.4
0
0.601.001.602.5
0
4.006.001001625
0
400600100

Y-150
Y-150Z
Y-150T
Y-150ZT

径向无边
轴向无边
径向带后边
轴向带前边

Y-200
Y-250

径向无边
径向无边

00.601.001.602.5
0
4.006.0

Z-40
YZ-40

径向无边
径向无边

2.5

-0.10-0.10.06-0.10.15
-0.1
0.3-0.10.5-0.10.9
-0.1
1.5-0.12.4

Z-50
YZ-50

径向无边
径向无边

Z-60
YZ-60
YZ-60Z
Z-60ZT

径向无边
径向无边
轴向无边
轴向带前边

Z-100
YZ-100
YZ-100Z
Z-100ZT

径向无边
径向无边
轴向无边
轴向带前边

1.6

Z-150
YZ-150
YZ-150Z
Z-150ZT

径向无边
径向无边
轴向无边
轴向带前边

Z-200

径向无边

    使用环境条件:-4070℃,相对湿度不大于85%
   
温度影响:使用温度偏离20±5℃时,不大于0.4%/10℃。


Y-60Z


Y-60


Y-40Z


Y-40


YZ-100



Y-150ZT


Z-100


Y-100

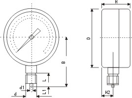
外形尺寸


Y-4060100150200250


Y-40
60100150Z


Y-60T
100T150T


Y-60ZT
100ZT150ZT

 

 

 

单位:mm

型号

D

d

d1

L

d0

B

H

d2

H1

H2

L1

Y40

Φ40

M10×1

Φ2.5

10

 

38

24

 

 

8.5

2

Y40Z

 

40

24

 

 

0

Y60

Φ60

M14×1.5M10×1

Φ5

14

 

56

30

 

 

12

Y60Z

 

58

30

 

 

0

Y60T

72

56

30

Φ4.5

 

13

Y60ZT

53

30

Φ4.5

24

0

Y100

Φ100

M20×1.5

Φ6

20

 

90

44

 

 

18

Y100Z

 

85

44

 

 

30

Y100T

118

90

45

Φ5.5

 

18

Y100ZT

85

44

Φ5.5

39

30

Y150

Φ150

 

115

48

 

 

18

Y150Z

 

92

47

 

 

30

Y150T

165

115

48

Φ5.5

 

18

Y150ZT

92

47

Φ5.5

41

30

Y200

Φ200

 

146

50

 

 

18

Y250

Φ250

 

167

50

 

 

18