当前位置:首页>>产品中心>>压力仪表
JD-YEJ矩形膜盒压力表
  

用途说明

    JD-YEJ-101型矩形膜盒压力表适用于锅炉通风设备等对铜合金不起侵蚀作用的和中性、无爆炸危险的气体微压和负压进行测量。
    JD-YEJ-121
型 矩形接点膜盒压力表适用于锅炉通风设备中对铜合金不起侵蚀作用的和中性、无爆炸危险的气体的微压和负压进行测量并具有双二位调节(双限发讯)的作用,以实现位式调节或超限报警之用。

主要技术指标

    精确度等级:2.5
    
使用环境条件:-2060℃(YEJ-121型为050℃),相对湿度不大于85%,且震动和被测介质的急剧脉动对仪表正常工作无明显影响。

    
 测量范围(Pa

正压

负压

正负压

0250

-2500

-120+120

0400

-4000

-200+200

0600

-6000

-300+300

01000

-10000

-500+500

01600

-16000

-800+800

02500

-25000

-1200+1200

04000

-40000

-2000+2000

06000

-60000

-3000+3000

010000

-100000

-5000+5000

016000

-160000

-8000+8000

025000

-250000

-12000+12000

040000

-400000

-20000+20000


JD-YEJ-101

    重量:2kg101型),2.5kg121型)
    
电气指标:(HR-YEJ-121型)
             
设定误差:小于全量程的2.5%
              
位式输出接点容量:交流无感受负载
3A  220V
              
工作电源:
AC220V
              
消耗电源:小于
5W
    
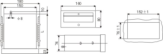
压力接口:φ8(配用内径φ6软管)

外形尺寸

单位:mm


 

 

101

121

L

160

250

接线端子图

JD-YEJ-121